مقایسه

رله ایمنی 3NO+1NC پیزاتو

  • رله ایمنی 3NO+1N

  • درجه محافظت بدنه (IP40)، ترمینال (IP20)

  • دمای کارکرد 25- الی 55+ درجه سانتیگراد

  • بدنه پلاستیکی

  • محصول ایتالیا - کالای اصل
ادامه مطلبShow less
0 تومان (بدون مالیات)
مرجع:
CS AR-06V024
نام تجاری:
اضافه به مقایسه0
توضیحات

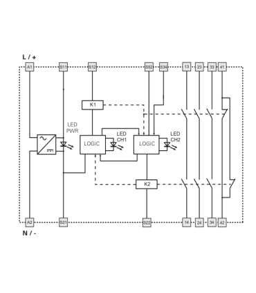
رله ایمنی برای کاربردهای امن مختلفی همچون : استپ های اضطراری ، مانیتورینگ درهای محافظ ، پرده نوری و سنسورهای مغناطیسی استفاده می شود. در واقع رله ایمنی سیگنال ایجاد شده در وضعیت های اضطراری را دریافت نموده و در قبال آن ها خروجی مناسب و ایمن را برای توقف یا تغییر در عملکرد سیستم ایجاد می نمایند.

رله ایمنی سری CS AR شرکت پیزاتو (Pizzato) ایتالیا با توجه به تعداد کنتاکت و عملکرد به انواع مختلفی تقسیم می شود.

ادامه مطلبShow less
جزئیات محصول
CS AR-06V024

مشخصات

مدل
CS AR-06V024
جنس بدنه
پلاستیک
نوع کنتاکت
3NO+1NC
درجه محافظت
بدنه (IP40)، ترمینال (IP20)
استقامت مکانیکی
10 میلیون بار
دمای کارکرد
25- الی 55+ درجه سانتیگراد
فرکانس کاری
60~50 هرتز
استاندارد و گواهی نامه ها
CCC Certificate
EAC Certificate
EC Declaration of Conformity
IMQ Certificate
UKCA Declaration of Conformity
کشور سازنده
ایتالیا
نحوه عملکرد
استوپ اضطراری، مانیتورینگ درهای محافظ ، پرده های نوری و سنسورهای مغناطیسی
ولتاژ
24Vac/dc
نوع اتصال
ترمینال پیچی

اشتراک گذاری

فهرست